
三电平系列有源滤波器用于动态补偿无功功率及谐波和平衡负载。请确保在同一网络中没有连接任何调谐的补偿系统。
DANGER | 危险电压 如果在连接至电网时或从电网断开后15分钟内打开有源滤波器,会因电击或短路而导致致命危险。 所有操作(包括打开设备外壳、拆除或安装连接电缆)只可交由专业人员完成。 |
WARNING | 高频干扰 住宅区环境下可能会发生高频干扰,必须采取相应抑制干扰措施。 |
三电平系列有源滤波器的安装、运行监测、故障维修只能由专业人员来操作,要求所有操作设备的人员必须熟读此手册。
1. 在安装和调试本设备之前,请务必阅读这些注意事项,检查设备上粘贴的所有警示标志及位置。
2. 仅允许具备资质的人员进行本设备的操作,操作包括安装、运行、维护、检修、拆除等,严禁除本公司技术人员及用户具备操作资质的人员外的其他人员操作本设备。
3. 请严格按照本公司提供的电气接线原理图和本说明书的说明进行操作,以防接线错误导致设备损坏和人身伤害。
4. 本设备安装完成后,本设备仅可运行在技术协议签署的运行范围内,不可用做他途。
5. 以任何方式改动、拆卸设备,或者使部件失效或更换部件,都有可能影响设备的安全性能。不使用原装配件可能会影响设备的工作性能和安全性能,而且被视为自动放弃本公司的质量担保。
6. 送电前应确认本设备已被妥善接地,接地不良容易导致设备运行异常,并发生触电的危险。
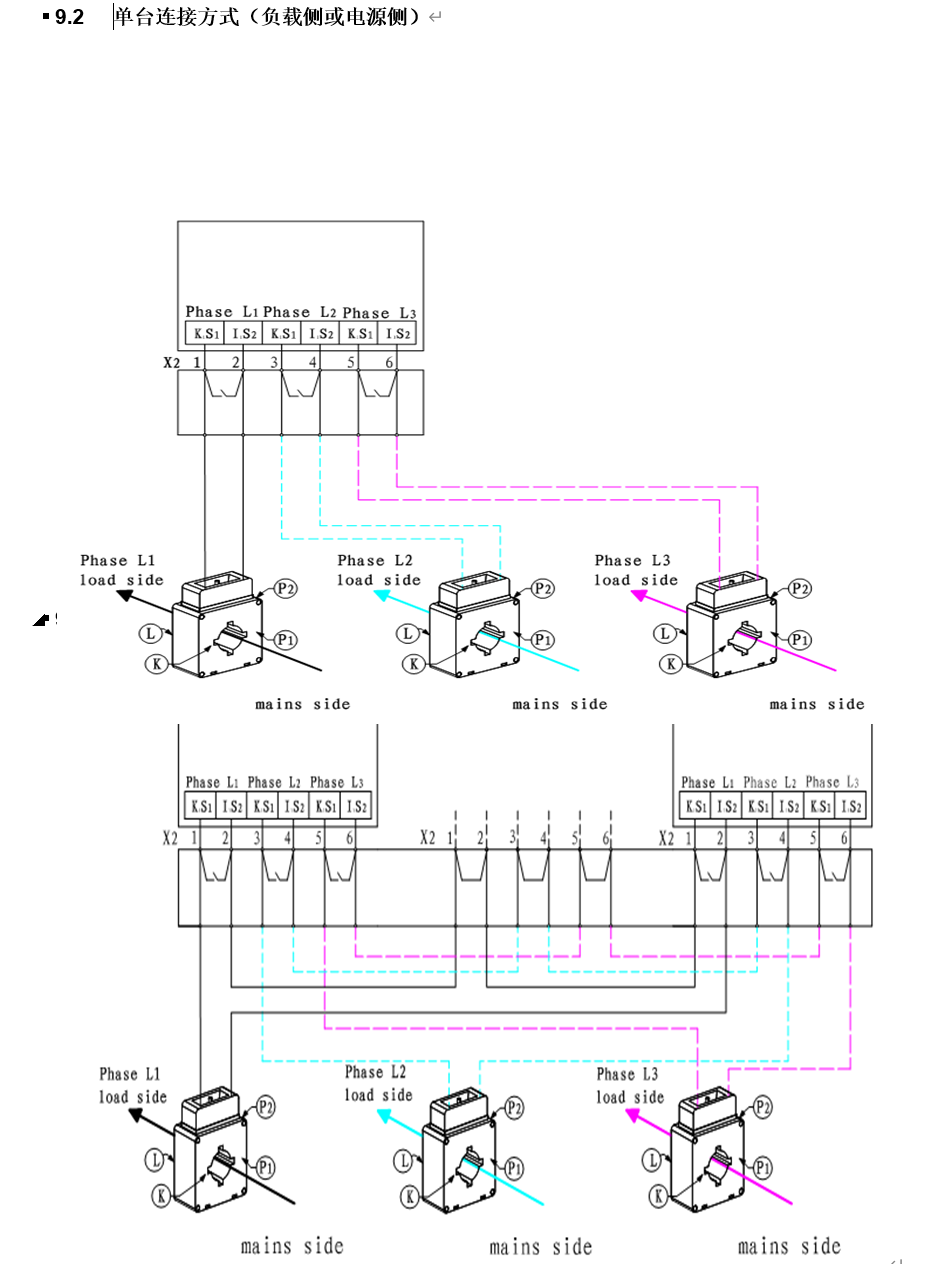
7. 在进行电流互感器的接线时,首先应确保其副边处于短路状态,不可断开工作中的电流互感器的副边。
8. 设备内部已连接至危险高电压,设备从电网断开后需等待15分钟直到设备内部的储能单元直流电容残余电压释放干净后方可被打开,否则会有电击危险。
9. 通风不良或散热不佳均会导致过热损坏设备,不允许遮盖设备的通风口,并确保设备远离热源。
10. 在运输和保管期间,尤其要保证设备不会遭受物理冲击和振动,不会受到雨淋水浸,不会受到高温炙烤,不会受到盐雾腐蚀,不可存放在灰尘较大的环境中。
注:特殊的安装与应用环境应提前告知本公司。
n 降低总谐波电流畸变率THD
n 降低谐波电流分量


1. 海拔高度:海拔1500米以下
2. 环境温度:-5~+40℃
3. 相对湿度:最大相对湿度90%,最低温度为25℃时表面无凝露
4. 使用场所不得有易燃、易爆、腐蚀性气体和液体等危险产品
5. 地震烈度:6级以下
6. 污秽等级:Ⅲ级以下
注:其它特殊使用场合、环境条件可定制
具体技术指标如下:





注意:当多台并联时,电流互感器必须安装在滤波器的负载侧。