电源滤波器
分类:
暂无
说明:
三相交流/直流电源滤波器



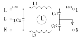
型号:03A31PP
电路图:

外形尺寸图:

产品特点:
具有良好的共模和差模滤波性能,能有效的抑制线-地,线-线间的电磁干扰
优良的高频干扰抑制性能,可弥补印板滤波电路高频的性能不足
低泄漏电流,高品质元件,确保产品安全性能
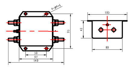
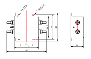
型号:50B63ES
电路图:

外形尺寸图:

产品特点:
具有良好的共模和差模滤波性能,能有效的抑制线-地,线-线间的电磁干扰
优良的高频干扰抑制性能,可弥补印板滤波电路高频的性能不足
低泄漏电流,高品质元件,确保产品安全性能
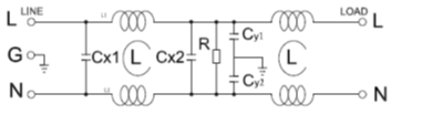
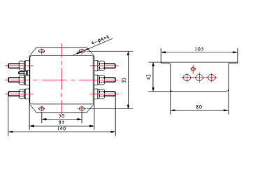
型号:03DC32AW
电路图:

外形尺寸图:

产品特点:
双级滤波电路,具有良好的共模和差模干扰抑制特性
具有宽频率范围(10KHz-30KHz)的干扰抑制能力
优异的高频干扰抑制性能
低泄漏电流,高品质元件,确保产品安全性能
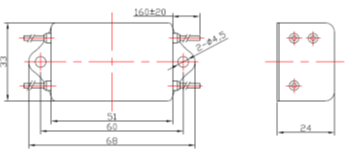
型号:06D53CS
电路图:

外形尺寸图:

产品特点:
双级滤波电路,具有良好的共模和差模干扰抑制特性
具有宽频率范围(10KHz-30KHz)的干扰抑制能力
优异的高频干扰抑制性能
低泄漏电流,高品质元件,确保产品安全性能
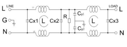
型号:06H85ES,10H85ES,12H85ES,15H85ES,30H85ES
电路图:

外形尺寸图:

产品特点:
三相三线制
具有良好的共模和差模干扰抑制性能
低泄漏电流